全国统一服务热线
400-610-6025
首 页
MKonline(中国)
公司概况
证书荣誉
组织结构
业务范围
业绩案例
工艺材料
行业动态
资料下载
MKonline(中国)
当前位置:
首页
>
图集
>
框架梁板粘钢加固案例
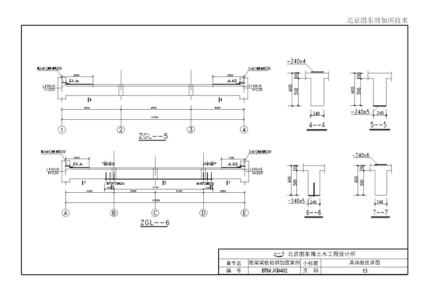
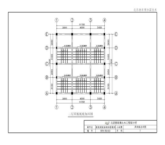
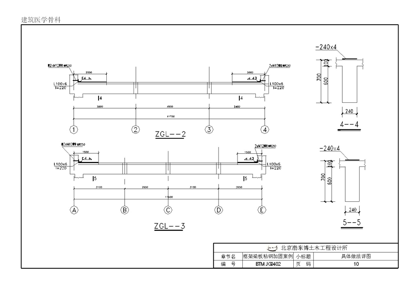
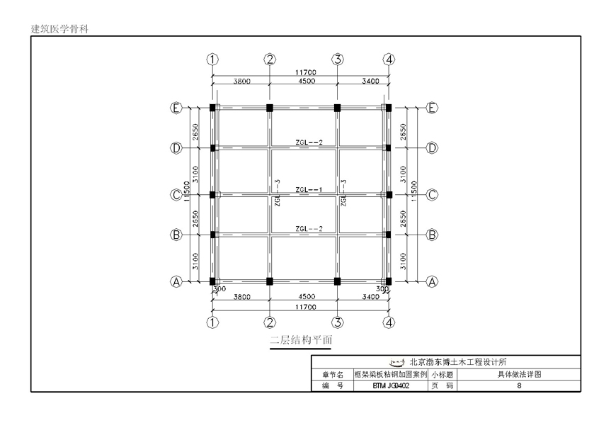
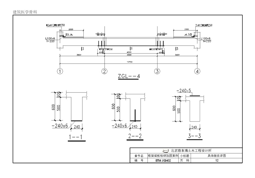
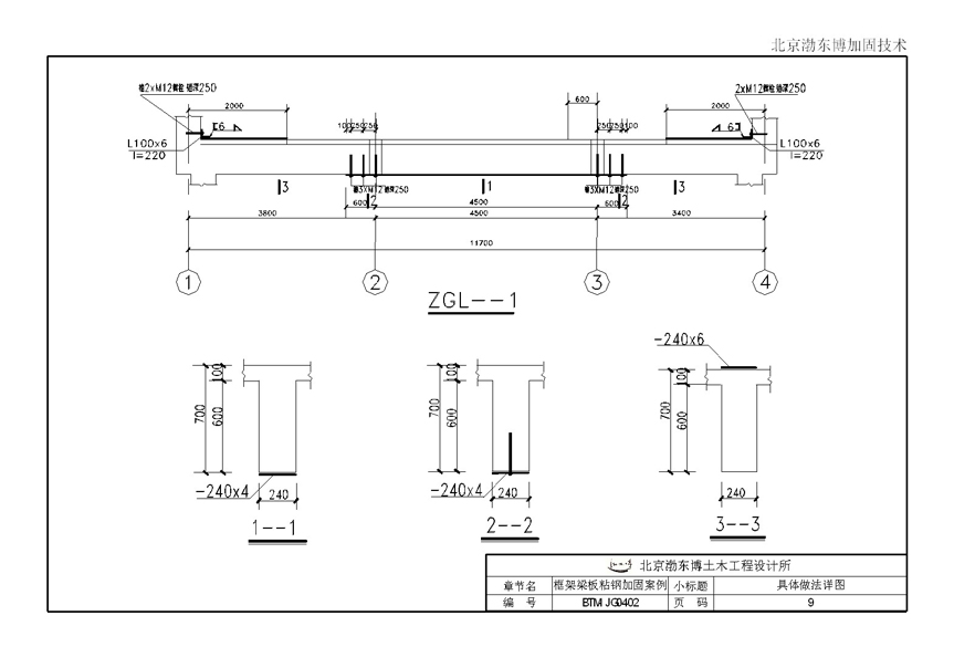
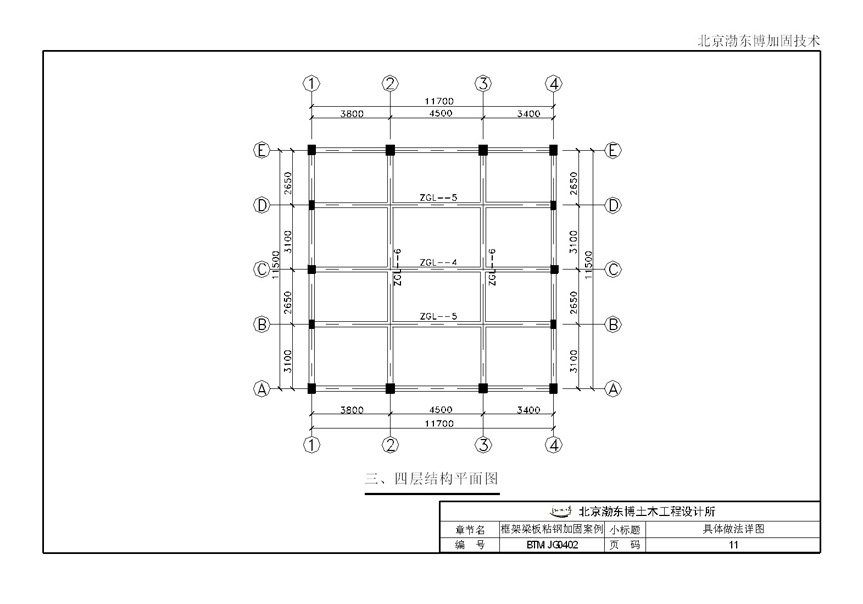
框架梁板粘钢加固案例
版权所有:MK手机官方网站入口
邮箱:jiagu@bodongbo.com
传真:010-64403408
电话:400-610-6025 800-810-6025 010-64403428
地址:北京市朝阳区北苑东路19号院2号楼1206室(中国铁建广场C座)
京ICP备2022035419号-1
佳博平台_佳博(中国)
|
五大联赛足球体育
|
天行官方在线入口
|
星空平台
|
万搏手机版
|
华体会手机版登录入口
|
万象城官网_万象城(中国)
|
万搏在线平台
|
江南在线注册
|